

| 规 格 说 明 | 数量 | 原产地 |
| 西门子五轴数控系统;(带rtcp功能)(待确认) 面板: 驱动器: 驱动器:(3台) 驱动器: x/y轴: z轴: a轴: c1c2轴: 主轴驱动器: 电缆整套; |
全套 | 德国 |
| xyz轴用 台湾上银/银泰精密级滚柱直线导轨 (或同等级品牌) |
全套 | 台湾 |
| xyz轴用 台湾tbi/上银/银泰 精密研磨级滚珠丝杆 (或同等级品牌) |
全套 | 台湾 |
| xy轴配雷尼绍光栅尺、读数头(可另选配) (或同等级品牌) |
无 | 英国 |
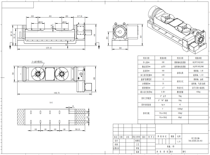
| 配tar-250cr-2r-450-ac轴双工位摇篮五轴转台(另有说明书) (或同等级品牌) |
台湾 | |
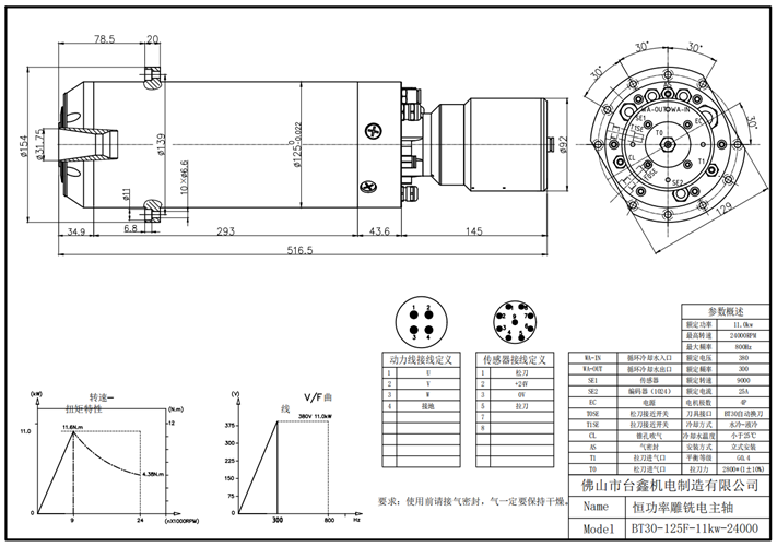
| 电主轴bt30-11-125-24000,气动换刀、带编码器 (备注:可选配中心出水)可另 |
1个 | 深圳 |
| 圆盘式刀库-16位 (安装于机器立柱左侧) | 1套 | 浙江 |
| 大理石(花岗岩)床身 | 1套 | 山东 |
| 铸铁机械零配件 | 1批 | 自制 |
| 配电柜恒温系统(雷德) | 1套 | 东莞 |
| 施耐德电气配件(施耐德) | 1批 | 天津 |
| tbi/nsk/koyo p级角接触配对轴承 (或同等级品牌) |
全套 | 进口 |
| 主轴水冷机 (雷德) | 1台 | 东莞 |
| 电子手轮(昱普) | 1套 | 广州 |
| 对刀仪(深圳精雕 ) | 1个 | 自制 |
| x/y/z轴配三防布风琴罩 | 各1套 | 自制 |
| x/y/z轴配塑料拖链(鼎泰) | 各1套 | 东莞 |
| 自动润滑油泵(宝腾) | 1套 | 东莞 |
| 空气过滤器(日本雷曼 m107-a空气过滤器) | 2套 | 浙江 |
| 水泵(斯纳尔) | 1套 | 常州 |
| 喷水装置 | 1套 | 自制 |
| 机床附件 | 1套 | 深圳 |
| 刀柄/配大小全套缩咀(三合) | 5个 | 深圳 |
| 机型 | sdsk1780yiw-2r--hsk-40e |
| 外型尺寸 | 长3500*宽2680*高3500左右 |
| 铝工作台尺寸xy | 1700*800 (t型槽m14) |
| 龙门宽度 | 1760 |
| 主轴鼻端至台面 | 最高830~最低380 |
| x/y/z/a/c行程 | x﹕1750 y﹕830 z﹕450 |
| 摇篮五轴盘面直径 | φ250*2 |
| 盘面距离 | 450 |
| 工作台摆动角度 (a轴) | ±120° |
| 工作台转动角度 (c1c2轴) | 360° |
| 工作台摆动速度(a轴) | 100rpm |
| 工作台转动速度(c1c2轴) | 100rpm |
| 最大快移速度xyz轴 | x﹕48米/分钟 y:48米/分钟 z:30米/分钟 |
| 最大加工速度 | 12米/分钟 |
| 伺服系统 | 交流伺服 |
| 系统分辨率 | 0.001 |
| 三轴垂直度 | 0.015mm |
| 整机定位精度xyz轴 | ±0.015mm |
| 局布定位精度xyz轴 | 300mm ±0.008mm |
| 重复定位精度xyz轴 | 0.004mm |
| 定位精度(a轴) | ±5(arcsec) |
| 定位精度(c1c2轴) | ±5(arcsec) |
| 重复定位精度(a轴) | <4(arcsec) |
| 重复定位精度(c1c2轴) | <4(arcsec) |
| 电主轴数 | 1个 |
| 电主轴电机功率 | 11kw |
| 电主轴扭矩 | 11.8n.m |
| 圆盘式刀库 | 16位 |
| 换刀方式 | 自动 |
| 主轴转速 | 24000rpm/min |
| 夹持刀柄 | bt30 |
| 对刀方式 | 自动 |
| 台面承受负荷 | 1000kg |
| 额定电压 | 380v/50hz |
| 整机最大功率 | 25kw左右 |
| 整机重量 | 7000kg左右 |


| 1. | 控制器 | 11. | 机械、电气、操作说明书1本 |
| 2. | 电主轴 | 12. | 刚性攻牙功能 |
| 3. | 自动润滑系统 | 13. | 电气箱热交换器 |
| 4. | 地基可调垫块 | 14. | 《操作说明书》《程序说明书》《使用说明书》 |
| 5. | 工具箱 | 15. | 刀柄5个(含拉钉、扳手) |
| 6. | 工作灯 | 16. | 锁刀座 |
| 7. | 警示灯 | 17. | m12马铁 |
| 8. | 主轴吹气装置 | 18. | |
| 9. | 传输线 | 19. | 锁咀 er25(4-12) 1套 |
| 10. | 半封闭式护罩 | 20. | 护罩 |
| 序号 | 环境项目 | 项目要求标准 |
| 1. | 电源要求 | ac380v(4p)50-60hz,空气开关 100a,电源电压波动范围 380v±10%以内 |
| 2. | 空气压缩机 | 使用螺杆式压缩机,储气罐,三级过滤,≥0.55mpa,流量≥100l/min |
| 3. | 真空压力 | ≥0.6 mpa |
| 4. | 空气干燥机 | 必须有空气干燥机,带自动排水功能 |
| 5. | 环境噪音/振动 | ≤75dba |
| 6. | 地面要求 | 地面要求平整,稳固,最高点与最低点相差不超过 5mm |
| 7. | 环境湿度 | 建议 45%-65% |
| 8. | 气体水分含量 | 无水分 |
联系人:周先生
手机:13924586646
电话:0755-29423909
邮件:sz_jdsk@163.com
地址:深圳市光明新区公明街道办西田社区第四工业区6栋a区二楼/第三工业区29/30/31栋